±ØÓ®ÑÇÖÞ

Ó­½Ó»ÝÁÙ~¹ãÖݱØÓ®ÑÇÖÞµç×ӿƼ¼ÓÐÏÞ¹«Ë¾
ÁªÏµµç»° ÊÖ»ú/΢ÐÅ£º

18925103846

ÄúµÄµØÎ»£º ÍøÕ¾Ê×Ò³ > ²úÆ·ÖÐÐÄ

485ͨѶÓïÒôÄ£¿éLMD102

LMD102ÓïÒôÄ£¿éÊÇLMDϵÁÐÓïÒôÄ£¿éÖ®Ò»¡£ÓµÓмÛÖµµÍ¡¢²»±ä¿¿µÃס¡¢¿É³Á¸´¹àÒô¡¢¿ª¹Ø´¥µã½ÚÔì¡¢Ìå»ýÓ×µÈÌØµã¡£ÖØÒª½ÚÔì·ÅÒô·½Ê½ÓÐÁ½ÖÖ£ºÍ¨¹ý4×é´¥µã½ÚÔì¡¢µ¥Æ¬»ú´®ÐÐ×ÜÏß½ÚÔì¡£
ÖØÒªÀûÓÃÁìÓò£º×°Öù¤³Ì¡¢±¨¾¯ÌáÐÑ¡¢²úÆ·À©´óÓïÒôÖ°ÄܵÈ¡£
1.²úÆ·¸öÐÔ
¡ñ°åÔØ¹¦·ÅÄ£¿é£¬¸ß¿ÉÊä³ö¹¦ÂÊ´ï2.5W£¬ÉùÒôÏìÁÁ¡£
¡ñ°åÔØÒôÁ¿µ÷½Ú£¬¿Éƾ¾ÝÏÖʵװÖÃÐèÒª½øÐе÷Õû¡£
¡ñȫеç·Éè¼Æ£¬¿¹×ÌÈÅÄÜÁ¦Ç¿¡£
¡ñÌå»ý¸üÓס£35.7*17.8mm
¡ñÈ«ÐÂÒôƵ²¥·Å½ÚÔìËã·¨£¬ÒôÖʸüºÃ¡£
¡ñÖ§³Ö¶àÖÖ²ÉÑùÌåʽ£¬¶à¿É´æ´¢24·ÖÖÓÉùÒô£¨²ÉÑùÂÊ11025Hz 16λ²ÉÑù£©£¬ÉùÒô¿ÉËÁÒâ·Ö¶Î£¬Ã¿¶ÎÉùÒô¿ÉËùÒÔËÁÒⳤ¶È¡£
¡ñÓïÒôÐÅÏ¢¿É·Ö¶Î¼Ôì¡¢·Ö¶Î²¥·Å¡£²¢¿ÉËæÊ±¸ü»»ÓïÒôÐÅÏ¢
¡ñ¿Ø·ÅÒô·½Ê½ÓУº
UART´®ÐпڽÚÔ죬Äܹ»½ÚÔì200¶ÎÉùÒô²¥·Å¡£Ö¸Áîµ¥Ò»£¬¹¤×÷²¨ÌØÂÊ¿ÉÉè¡£
µÍµçƽ´¥·¢·½Ê½(°´¼ü½ÓµØ»òµ¥Æ¬»úIO¿ÚÖõÍ)£¬¿É½ÓÈë4·³£¿ª»ò³£¹Ø´¥µã½ÚÔì4¶ÎÉùÒô¡£
485×ÜÏß½ÚÔ죨±í½Ó485оƬ£©¡£ºÏÓÃÓÚ¾àÀë½ÏÔ¶£¬»ò½Úµã½Ï¶àµÄÇé¿ö¡£
»¹Äܹ»Æ¾¾Ý¿Í»§ÐèÒª£¬¿ª·¢Äú±ØÒªµÄ½ÚÔ췽ʽ¡£
¡ñ°åÔØFLASH´æ´¢Æ÷¡£³É±¾¸üµÍ£¬¿¿µÃסÐÔ¸üºÃ¡£
¡ñÔ¤·ÀÎó×÷Ϊ£¬ÄÚ²¿¶àÖÖ±£»¤´ëÊ©¡£
¡ñÐÂÔö´ý»úģʽ£¬´ý»ú״̬¹¤×÷µçÁ÷½ö0.3mA

2.²úƷͼƬ¡¢½Ó¿Ú½éÉܼ°µäÐÍÀûÓÃʾÒâͼ

2.1²úÆ·±íÐÎ

LMD102ÓïÒôÄ£¿é²úÆ·±íÐÍ

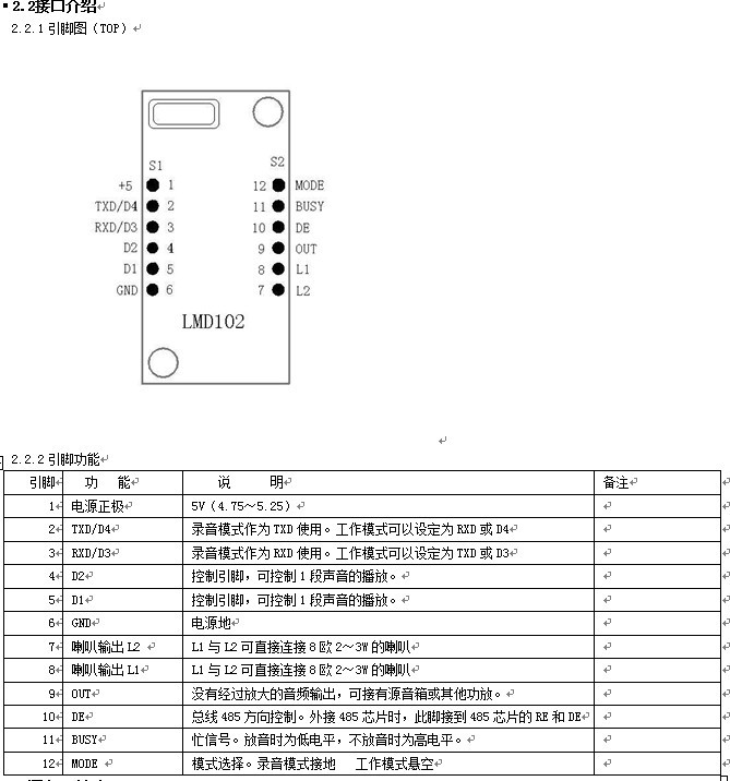
485ÓïÒôÄ£¿éLMD102½Ó¿Ú×¢Ã÷


ÔÚÏßѯ¼Û

ÓÃÊÖ»úɨÃè¶þάÂë¹Ø¹Ø
¶þάÂë
¡¾ÍøÕ¾µØÍ¼¡¿